| Autor |
Beitrag |
   
Arnd
Gold Mitglied Benutzername: Arnd
Nummer des Beitrags: 1606 Registriert: 08-2002
| | Veröffentlicht am Dienstag, 16. November 2010 - 23:44 Uhr: |
|
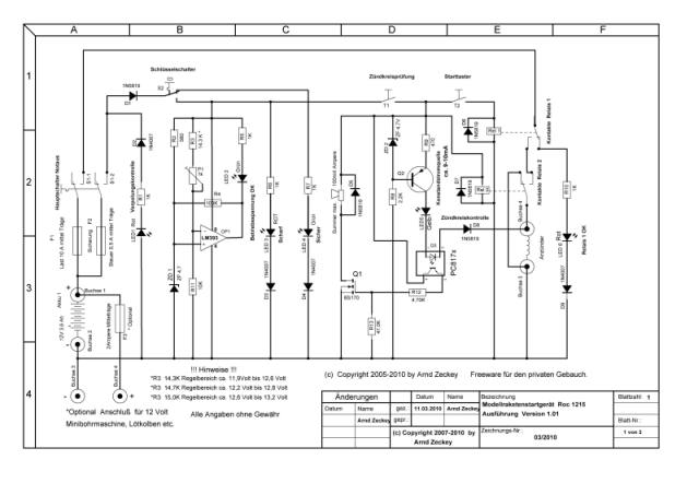
Moin miteinander, mal wieder was neues aus meiner Schmiede. Hier ist das neue Startgerät 1215. Im neuen Startgerät sind viele der Wünsche und Anregungen die mir zugetragen worden eingeflossen. Gegenüber dem 1213 wurde das Startgerät um eine optische Anzeige Sicher /Scharf erweitert. Weiterhin würde die Betriebsspannungsanzeige anstatt mittles Z-Diode über eine Komparatorschaltung realisiert. Über einen Trimmer kann eine Feinabstimmung ab welcher Spannung die Led Betriebsspannungsanzeige verlischt eingestellt werden.
• Zündkreisprüfung optisch über Konstandstromquelle mit einem Zündstrom von ca. 8 bis 10mA. Akustisch Galvanisch getrennt mittels Optokoppler über Summer. • Optische Überwachung ob Relais 1 Ok ist. Kleben der Kontakte. • Überbrückung des Anzünders im Ruhezustand. • Optische Anzeige Sicher / Scharfstellung • Anzünder wird über Lastrelais mit Strom versorgt. • Optische Verpolungsanzeige. • Betriebsspannungsanzeige mittels Komparatorschaltung Feineinstellbar über Trimmer. • Optische und Akustische Kontrolle ob Anzünder anliegt. LED und Summer. • Leicht nachzubauen, da nur leicht zu beschaffende Bauteile Verwendung finden. Das Projekt ist Freeware für den privaten Gebrauch. Bei Interesse PN an mich. Cu Arnd (Beitrag nachträglich am 16., November. 2010 von arnd editiert) |
   
Oliver
Forum-Administrator Benutzername: Oliver
Nummer des Beitrags: 10806 Registriert: 01-2000

| | Veröffentlicht am Mittwoch, 17. November 2010 - 20:48 Uhr: |
|
Hallo Arnd, gibt es dazu wieder einen Bauplan und eine Einzelteileliste? Wenn ja, könnte man es ja auf wieder auf modellraketen.de (statt bzw. als Ergänzung vom 1205er) reinstellen? Vs. 1214 wurde ausgelassen? Grüsse Oliver, IMR-01001
|
   
Arnd
Gold Mitglied Benutzername: Arnd
Nummer des Beitrags: 1607 Registriert: 08-2002
| | Veröffentlicht am Mittwoch, 17. November 2010 - 22:22 Uhr: |
|
Moin Oliver, es wird wie immer ein Projekt Paket mit Schaltplan, Bildern, Bauteileliste etc. zu dem 1215 geben. Sobald das Paket zu Verfügung steht meld ich mich bei Dir. Das 1215 ist eine Ergängzung und Weiterentwicklung zum 1205/1207 Release 1214 wurde übersprungen da zu viele Neuerungen im 1215 drin sind. Wer nicht die Möglichkeit hat die dazugehörende Platine selbst zu ätzen kann mich gerne anmailen. Vielleicht kommen ja genug Leute für eine Sammelbstellung zusammen. Fertige Module wird es sicherlich bei Holger_T im Shop geben. Cu Arnd |
   
Oliver
Forum-Administrator Benutzername: Oliver
Nummer des Beitrags: 10807 Registriert: 01-2000

| | Veröffentlicht am Mittwoch, 17. November 2010 - 23:24 Uhr: |
|
Ok, das wäre nett, wenn Du mir dann alles zukommen lassen könntest. Vielleicht hast Du ja schon einen Schaltplan und eine Stückliste, die Du hier reinstellen kannst? Grüsse Oliver, IMR-01001
|
   
Arnd
Gold Mitglied Benutzername: Arnd
Nummer des Beitrags: 1608 Registriert: 08-2002
| | Veröffentlicht am Mittwoch, 17. November 2010 - 23:29 Uhr: |
|
da noch ein paar Fragen offen geblieben sind stellich den Schaltplan des 1215 zur Diskussion rein. Das 1215 ist die weiterentwicklung der bekannten Startgeräte Serie 1207 und 1213. Vom 1213 gibt es hier im Forum ja ein paar Bauberichte. Die fertig aufgebaute Platine hat die Abmaße Länge 100mm x Breite ca.53mm Höhe ca 25mm Gewicht ca. 120 Gramm Das Gerwicht des Moduls dürfte in einer Startbox eh eine eher untergeordnete Rolle spielen. Ausgelegt ist das Startgerät für Blei oder Bleigel Akkus mit eine Nennspannung von 12 Volt. Alles andere macht imho eh wenig Sinn. Die Betriebspannunganzeige kann im Bereich von ca. 11,9 bis 12.6 Volt über einen Trimmer eingestellt werden. Die eingebauten Print Relais können max. einen Strom von 16 Ampere ab. Es können alle mir zur Zeit bekannten Anzünder verwendet werden. Von Brückenanzünder A und U bis zum selbstgebauten Glühanzünder. T2 Konform ist das Startgerät 1215 selbstverständlich auch. Ich bin zur Zeit dabei ein Projekt Paket mit Schaltplan, Bildern, etc. am schnüren. Such noch ein paar Leute zwecks Korrekturlesung. Offene Fragen werden immer gerne beantwortet, dafür ist ein Forum ja da. Cu Arnd |
   
Holger_t
Senior Mitglied Benutzername: Holger_t
Nummer des Beitrags: 263 Registriert: 04-2003

| | Veröffentlicht am Donnerstag, 18. November 2010 - 00:07 Uhr: |
|
Hallo, sobald das Startgerät lieferbar ist, wird es das auch bei mir Shop fertig gelötet geben. Gruß Holger www.rocket-onlineshop.de
|
   
Felix
Mitglied Benutzername: Felix
Nummer des Beitrags: 82 Registriert: 12-2010

| | Veröffentlicht am Donnerstag, 16. Juni 2011 - 18:38 Uhr: |
|
Hallo, gibt es einen Anschlussplan für Akku etc.? Danke im voraus „Wer zuviel Korn trinkt, hat am Ende nur noch Stroh im Kopf.“ (Gerhard Uhlenbruck *1929)
|
   
Arnd
Gold Mitglied Benutzername: Arnd
Nummer des Beitrags: 1620 Registriert: 08-2002
| | Veröffentlicht am Donnerstag, 16. Juni 2011 - 19:19 Uhr: |
|
Moin Felix, es gibt ein Projekt Paket mit allen Info,s. "Projekt Startgerät für Modell und Experimental Raketen 1215 Version 100.zip Dateigröße ca.2,2 Mb" Guckst Du hier. http://christoph-online.eu Cu Arnd (Beitrag nachträglich am 16., Juni. 2011 von arnd editiert) |
   
Felix
Mitglied Benutzername: Felix
Nummer des Beitrags: 83 Registriert: 12-2010

| | Veröffentlicht am Donnerstag, 16. Juni 2011 - 19:59 Uhr: |
|
Danke Arnd! kann die ersten teile schon anbringen „Wer zuviel Korn trinkt, hat am Ende nur noch Stroh im Kopf.“ (Gerhard Uhlenbruck *1929)
|
   
Felix
Mitglied Benutzername: Felix
Nummer des Beitrags: 84 Registriert: 12-2010

| | Veröffentlicht am Donnerstag, 16. Juni 2011 - 20:14 Uhr: |
|
übrigens: GOßES Lob an alle mitwirkenden bei der tollen, strukturierten und übersichtlichen Bedienungsanleitung!!!!   „Wer zuviel Korn trinkt, hat am Ende nur noch Stroh im Kopf.“ (Gerhard Uhlenbruck *1929)
|
   
Arnd
Gold Mitglied Benutzername: Arnd
Nummer des Beitrags: 1621 Registriert: 08-2002
| | Veröffentlicht am Donnerstag, 16. Juni 2011 - 21:28 Uhr: |
|
Moin Felix, danke fürs Lob. Viel Spass und Erfolg beim bauen. Wenn Du Lust und Laune dazu hast, kannst Du ja hier im Forum einen kleinen Baubericht posten. Cu Arnd |
   
Felix
Mitglied Benutzername: Felix
Nummer des Beitrags: 86 Registriert: 12-2010

| | Veröffentlicht am Sonntag, 19. Juni 2011 - 19:35 Uhr: |
|
Hi, kann ich auch für den Fall dass der Akku alle ist den Zigarettenanzünder im Auto als Stromquelle nutzen? schönen Abend noch „Wer zuviel Korn trinkt, hat am Ende nur noch Stroh im Kopf.“ (Gerhard Uhlenbruck *1929)
|
   
Kabelmann
Mitglied Benutzername: Kabelmann
Nummer des Beitrags: 85 Registriert: 01-2009

| | Veröffentlicht am Sonntag, 19. Juni 2011 - 20:36 Uhr: |
|
quote:kann ich auch für den Fall dass der Akku alle ist den Zigarettenanzünder im Auto als Stromquelle nutzen
Nein, weil Dein Auto in ausreichendem Sicherheitsabstand zu Deinem Startplatz geparkt ist.... logisch ne? Wenn Du den Zigarettenanzünder nutzen kannst, steht es einfach viel zu dicht dran. Gruß Jan AGM e.V., TRA# 12569 L2, T2
|
   
Felix
Mitglied Benutzername: Felix
Nummer des Beitrags: 87 Registriert: 12-2010

| | Veröffentlicht am Montag, 20. Juni 2011 - 16:17 Uhr: |
|
jop, hab nicht dran gedacht... Rein Theoretisch musste es aber doch gehen, weil es kommen doch 12v Gleichstrom aus dem Zigarettenanzünder. „Wer zuviel Korn trinkt, hat am Ende nur noch Stroh im Kopf.“ (Gerhard Uhlenbruck *1929)
|
   
Trevize
Junior Mitglied Benutzername: Trevize
Nummer des Beitrags: 57 Registriert: 07-2007
| | Veröffentlicht am Montag, 20. Juni 2011 - 18:53 Uhr: |
|
Klar, aber dann brauchst du Leitungen mit einem ordentlichen Querschnitt (< 4mm^2), sonst bleiben dir von den 12 V am Zünder nicht mehr viel übrig. |
   
Arnd
Gold Mitglied Benutzername: Arnd
Nummer des Beitrags: 1622 Registriert: 08-2002
| | Veröffentlicht am Montag, 20. Juni 2011 - 19:57 Uhr: |
|
Moin Felix, Trevize war schneller.;-) Ich hol mal weiter aus. Im Prinzip ja. Nur musst Du je weiter Du entfernt Dein Auto vom Startgerät geparkt wurde die Zuleitung umso dicker auslegen, das noch genügend Saft am Startgerät ankommt. Und nicht vergessen, den Akku am Startgerät selbst vorher abklemmen. Angenommen Dein Auto steht 25 Meter vom Startgerät weg. Der Querschnitt der Zuleitung zum Startgerät beträgt 1,5mm2, der verwendete Anzünder(Glühanzünder) benötigt 10 Ampere Strom. Sobald Du den Startknopf betätigst, bricht die Spannung um die Hälfte auf 6,067Volt an. Am Startgerät selbst kommt also nur noch 6 Volt an. Die 20 Meter Zuleitung vom Startgerät zum Anzünder sind da noch nicht einmal mit eingerechnet. Nimmst Du diese Kabellänge noch dazu, dann kommen am Anzünder gerade noch mickrige 1,25 Volt an. Theoretisch jedenfalls. In der Praxis würden die Realis anfangen zu flattern da die Relais des Startgerät mit 6 Volt Spannung nicht mehr arbeiten. Spannungsabfall bei Kabellänge 25 Meter 10 Ampere Strombelastung 12 Volt Nennspannung Kupferkabel. 1,25mm2 Kabelquerschnitt. 6 Volt 2,50mm2 Kabelquerschnitt 3,56 Volt 4.00mm2 Kabelquerschnitt 2.225 V 6.00mm2 Kabelquerschnitt 1,50 Volt 10.00mm2 Kabelquerschnitt 0,89 Volt 16,00mm2 Kabelquerschnitt 0,55 Volt Um den Spannungsabfall in den Griff zu bekommen müsstest Du ein Kabel mit einem Querschnitt von wenigstens 10mm2 besser noch 16mm2 verwenden. Kabel mit diesem Durchmesser sind allerdings recht teuer. Cu Arnd (Beitrag nachträglich am 20., Juni. 2011 von arnd editiert) |
   
Felix
Mitglied Benutzername: Felix
Nummer des Beitrags: 88 Registriert: 12-2010

| | Veröffentlicht am Dienstag, 21. Juni 2011 - 20:36 Uhr: |
|
dass Kupfer so einen widerstand hat hätte ich nicht gedacht! danke für die angaben, Felix „Wer zuviel Korn trinkt, hat am Ende nur noch Stroh im Kopf.“ (Gerhard Uhlenbruck *1929)
|
   
Arnd
Gold Mitglied Benutzername: Arnd
Nummer des Beitrags: 1623 Registriert: 08-2002
| | Veröffentlicht am Dienstag, 21. Juni 2011 - 21:48 Uhr: |
|
Der Widerstand ist das eine, die Strommenge in Ampere das andere. Je mehr Srom fliesst, um so größer der Spannungsabfall in der Leitung. Was halt immer wieder gern übersehen wird ist, die Leitungslänge muss doppelt gerechnet werden. Der Strom in unserem Fall 10 Ampere muss ja auch wieder zur Batterie /Akku zurück. Aus den 25 Meter Zuleitung zum Startgerät wie in unserem Fall werden dann 50 Meter Gesamtlänge. Kupfer hat einen spezifischen Widerstand von 0,0178 Ohm * mm²/Meter bei 20 Grad Celsius. Hört sich erst mal nach wenig an. Bei einer Leitung von 1,5mm² sind es 0,012Ohm pro Meter. 0,012Ohm pro Meter x 2 x 25 Meter ergibt 0,6 Ohm Gesamtwiderstand. U= Spannung in Volt I= Strom in Ampere R= Widerstand in Ohm. U = I * R 10Ampere x 0,6Ohm ergibt 6 Volt Spannungsabfall. Wenn Du die 20 Meter Leitung vom Startgerät zur Startrampe mit einkalkulierst, beträgt die gesamte Leitungslänge von der Batterie /Akku und zurück knapp 90 Meter. Cu Arnd |